US Home
Automation

(Last updated: Saturday, March 03,2018)
Google
 

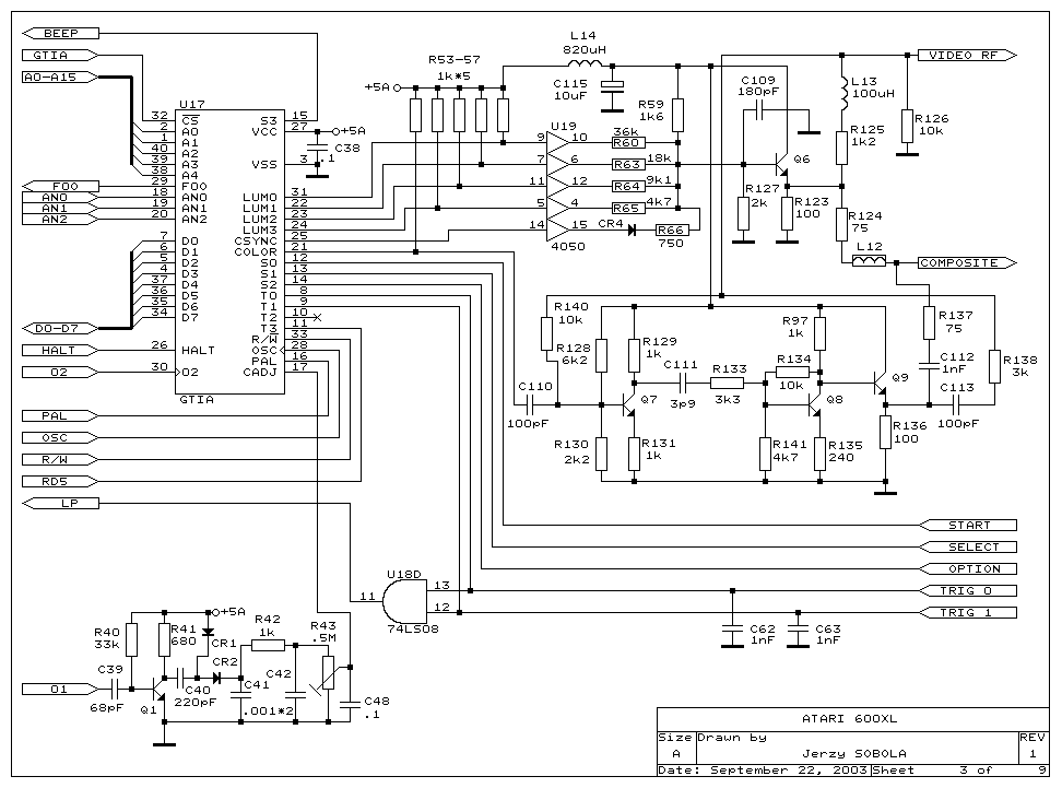
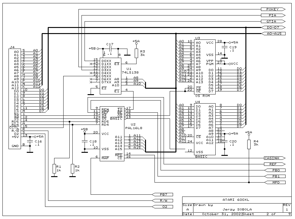
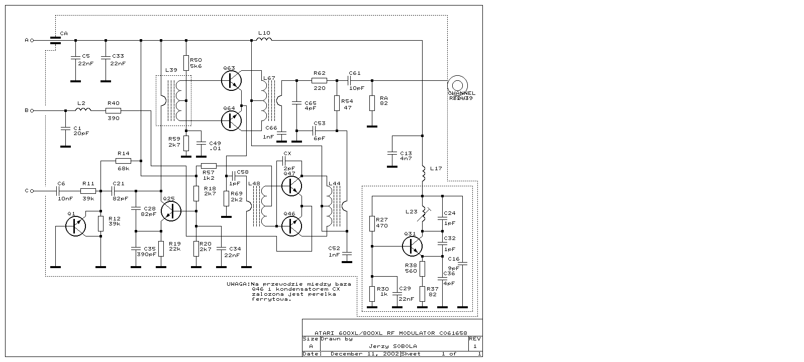
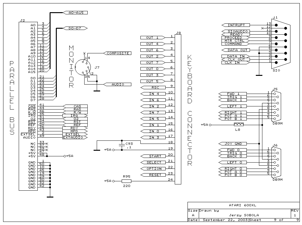
Atari 600 XL

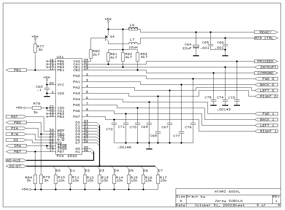
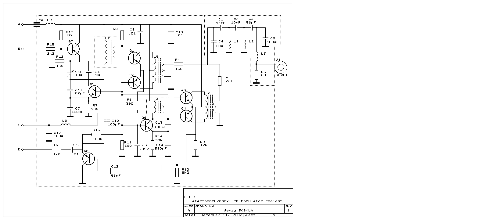
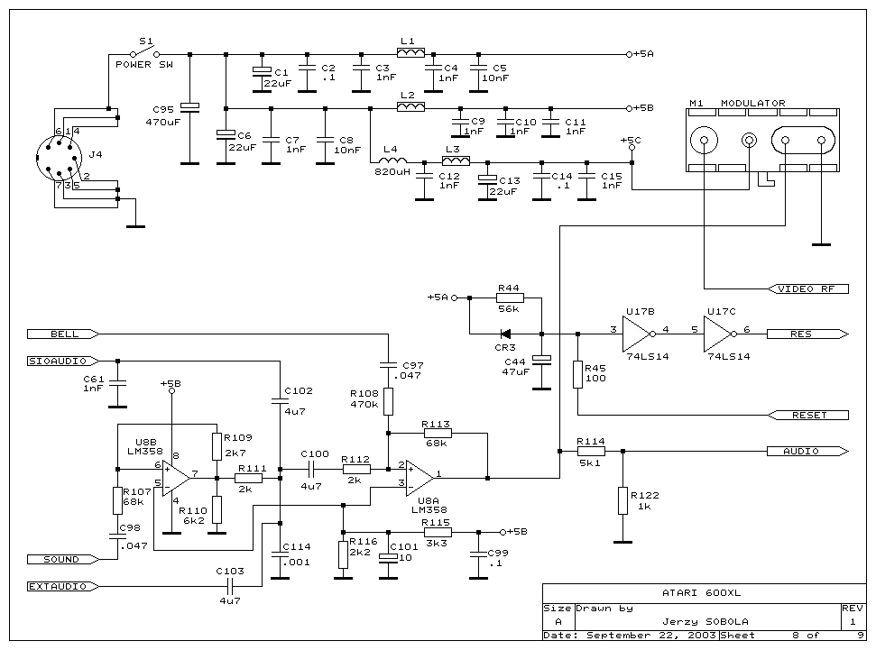
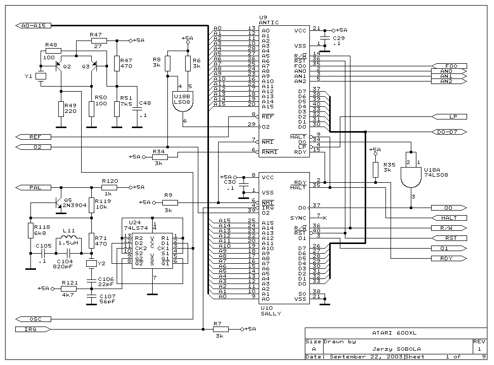
The 600 XL I have is an Ebay find from Canada. I bid $20 (US) on an Atari 600 XL of unknown condition and no power supply. My intentions are to basically use the XL as a test bed for various hacks. First I'll upgrade the RAM to 64K. Then use a USB power supply to replace the missing power supply. Then add Omnimon XL. Then add the composite video as TV (NTSC) output is getting harder to support. Then I'll design a replacement CPU daughter board. The replacement CPU is the 65816 and I'll add video SRAM for more than 64K of RAM. This will require me to modify the OS to support the new CPU (it differs in a few ways from the stock custom 6502C). None of the mods should damage the mother board or the chips. So returning it to stock is always possible.

Atari 600XL Video 1

Atari 600XL Video 2